Щелевой диффузор с КСД для натяжных потолков на 4 выхода (без фланцев в комплекте)
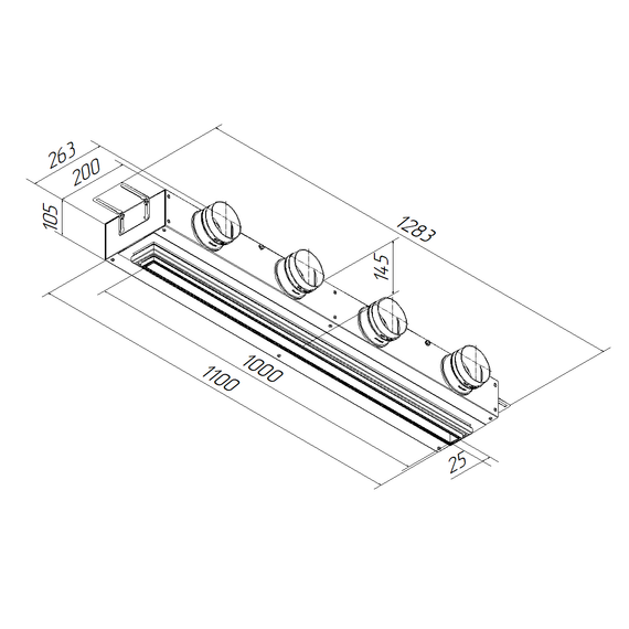
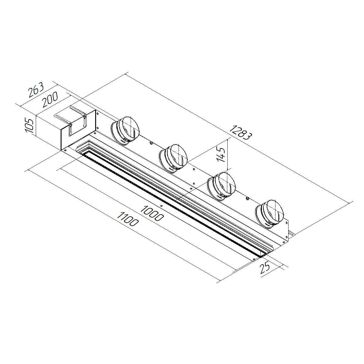
Щелевой вентиляционный диффузор Provent VPND 1000/90×4 предназначен для установки в натяжные потолки ( как ПВХ, так и тканевые) и может применяться в качестве приточного и вытяжного диффузора в системе вентиляции на основе гибких вентканалов Provent диаметром 90 мм. В корпус интегрирована КСД (камера статического давления) для снижения скорости воздушного потока и уменьшения шума. Прямоугольная щель диффузора длиной 1000 мм и шириной 25 мм, четыре фланца для подключения гибких воздуховодов 90 мм.
- Размеры щелевого диффузора: 1000 x 25 мм (высота диффузора 40 мм)
- Размеры КСД (адаптер): 1100 х 200 х 105 мм
- Выходы воздуховодов: 4 х 90 мм
- Размеры (с присоединительными фланцами и диффузором): 1100 х 261 х 145 мм
- Минимальная высота занижения потолка: 145 мм
Конструкция
КСД изготовлена из оцинкованной стали, сам диффузор изготовлен из алюминиевого профиля и окрашен в черный цвет (под заказ возможна окраска по каталогу RAL). Благодаря своей конструкции, щелевой вентиляционный диффузор Provent VPND 1000/90×4 обеспечивает минимальное падение давления и низкие показатели шума.
Монтаж
Диффузор устанавливается на монтажные кронштейны, которые входят в комплект. Гибкие воздуховоды Provent RP 90 фиксируются специальными замками Provent LK 90 на присоединительных фланцах (фланцы в комплект не входят).
Таблица значений сопротивления диффузор
| Расход, м3/ч | Потери давления, Па |
|---|---|
| 60 | 6,84 |
| 80 | 10,16 |
| 100 | 12,54 |
| 120 | 15,29 |
Упаковочная информация
Диффузор упакован в индивидуальную коробку из плотного бурого гофрокартона.
- Размеры коробки: 1130 х 215 х 175 мм
- Масса брутто: 5,425 кг







